Краткое описание продукта
| Солнечный насос серии RVE35 с ЧРП | | |
| | ВХОД постоянного/переменного тока | |
| | Изысканный дизайн | |
| | МПРТ | |
| Параметрический | ||
| Модель | РВЕ35-Т3-18ГБ ~ РВЕ35-Т3-22ГБ |
| Напряжение | Вход от 350 В постоянного тока до 800/900 В постоянного тока, 3-фазный вход от 380 В переменного тока до 440 В переменного тока | |
| Номинальный P (кВт) | 18/22 | |
| Номинальный ток (А) | 38/45/60 | |
| МПРТ Vmp/Voc | 540/660 | |
| Размеры (мм) | 383*180*228 | |
Фоны приложений
| В последние годы, по мере обострения глобальной «продовольственной проблемы» и «энергетической проблемы», солнечные водяные насосы постепенно стали называться эффективным продуктом промышленной интеграции, позволяющим решить проблему увеличения производительности эффективных обрабатываемых земель и замены ископаемой энергии чистой энергией. В результате родилась новая экономическая модель, в которой солнечная промышленность развивалась в сочетании с традиционными отраслями, такими как водосбережение в сельском хозяйстве, борьба с пустыней, бытовое водопользование и управление городскими водными ресурсами. |
Особенности продукта
• Отслеживание точки максимальной мощности (MPPT) с высокой скоростью отклика и стабильной работой.
• Защита от сухого хода (под нагрузкой)
• Защита максимального тока двигателя
• Защита входной мощности
• Защита от низкой частоты остановки
• Кривая производительности PQ (мощность/расход) позволяет рассчитать производительность насоса.
• Цифровое управление для полностью автоматической работы, хранения данных и защитных функций.
• Интеллектуальный силовой модуль (IPM) для главной цепи
• Панель управления со светодиодным дисплеем и поддержкой дистанционного управления.
• Доступен двухрежимный вход источника питания переменного и постоянного тока.
• Датчик датчика низкого уровня воды и функция контроля уровня воды.
• Температура окружающей среды при использовании: от -10 до 50˚C.
| Изысканный дизайн Площадь установки уменьшена на 50 % Объем уменьшен на 30 % | |
| | Полностью автоматическая машина для трехслойного лакокрасочного покрытия используется для утолщения защитного слоя печатной платы, эффективно предотвращая повреждение печатной платы, вызванное ветровой пылью, агрессивным газом и влажным воздухом. |
| | Используйте полностью автоматическое оборудование обнаружения для проверки различных электрических показателей и функций защиты продуктов при номинальной нагрузке. |
| | Все готовые изделия выдерживаются под нагрузкой в течение 48 часов при высокой температуре 60 градусов, а затем проверяются все электрические показатели под нагрузкой, чтобы снизить процент отказов изделий. |
Номенклатура моделей
Общий тип серии S2:
Вход Vmp 310 В постоянного тока или 220 В переменного тока, 1/3-фазный выход 0–220 В переменного тока
| Модель | Номинальный ток (А) | Выходное напряжение (В переменного тока) | Применимо для насоса мощностью (кВт) | Внешний размер диска В*Ш*Д (мм) | МПРТ Вмп/Вок |
| РВЭ35-С2-0Р7Г | 4 | 0-220 | 0.75 | 187*86*152 | 310/372 |
| РВЭ35-С2-1Р5Г | 7 | 0-220 | 1.5 | ||
| РВЭ35-С2-2Р2Г | 10 | 0-220 | 2.2 | ||
| РВЭ35-С2-3Г | 13 | 0-220 | 3 | 265*105*164 | |
| РВЭ35-С2-4Г | 16 | 0-220 | 4 |
Общий тип серии T3:
Вход Vmp540–650 В постоянного тока или 380–460 В переменного тока, трехфазный выход 0–380/460 В переменного тока
| Модель | Номинальный ток (А) | Выходное напряжение (В переменного тока) | Применимо для насоса мощностью (кВт) | Внешний размер диска В*Ш*Д (мм) | МПРТ Вмп/Вок |
| РВЭ35-Т3-0Р7ГБ | 2,5/3,7 | 0-380/440 | 0.75 | 187*86*152 | 540/660 |
| РВЭ35-Т3-1Р5ГБ | 3.7/5 | 0-380/440 | 1.5 | ||
| РВЭ35-Т3-2Р2ГБ | 5/10 | 0-380/440 | 2.2 | ||
| РВЕ35-Т3-4ГБ | 10/13 | 0-380/440 | 4.0 | ||
| РВЭ35-Т3-5Р5ГБ | 13/16 | 0-380/440 | 5.5 | 265*105*164 | |
| RVE35-T3-7R5GB (Пластиковый корпус) | 16/25 | 0-380/440 | 7.5 | ||
| RVE35-T3-7R5GB (железный корпус) | 16/25 | 0-380/440 | 7.5 | 333*150*216 | |
| РВЭ35-Т3-11ГБ | 25/32 | 0-380/440 | 11 | ||
| РВЭ35-Т3-15ГБ | 32/38 | 0-380/440 | 15 | ||
| РВЭ35-Т3-18ГБ | 38/45 | 0-380/440 | 18 | 383*180*228 | |
| РВЕ35-Т3-22ГБ | 45/60 | 0-380/440 | 22 | ||
| РВЭ35-Т3-30ГБ | 60/75 | 0-380/440 | 30 | 435*175*265 | |
| РВЭ35-Т3-37ГБ | 75/90 | 0-380/440 | 37 | ||
| РВЭ35-Т3-45Г | 90/110 | 0-380/440 | 45 | 670*265*358 | |
| РВЭ35-Т3-55Г | 110/150 | 0-380/440 | 55 | ||
| РВЭ35-Т3-75Г | 150/170 | 0-380/440 | 75 | ||
| РВЭ35-Т3-90Г | 170/210 | 0-380/440 | 90 | 845*305*358 | |
| РВЭ35-Т3-110Г | 210А/250 | 0-380/440 | 110 | ||
| РВЭ35-Т3-132Г | 250А/300 | 0-380/440 | 132 | ||
| РВЭ35-Т3-160Г | 300А/340 | 0-380/440 | 160 | 788*500*360 | |
| РВЭ35-Т3-185Г | 340/380 | 0-380/440 | 185 | ||
| РВЭ35-Т3-200Г | 380/415 | 0-380/440 | 200 | 900*540*358 | |
| РВЭ35-Т3-220Г | 415/470 | 0-380/440 | 220 | ||
| РВЭ35-Т3-250Г | 470/520 | 0-380/440 | 250 | ||
| РВЭ35-Т3-280Г | 520/600 | 0-380/440 | 280 | 1035*620*400 | |
| РВЭ35-Т3-315Г | 600/680 | 0-380/440 | 315 | ||
| РВЭ35-Т3-355Г | 680/750 | 0-380/440 | 355 | 1290*780*410 | |
| РВЭ35-Т3-400Г | 750/810 | 0-380/440 | 400 |
Отличная производительность
| | Высокопроизводительное векторное управление для повышения точности оборудования |
| Максимальная выходная частота при векторном управлении достигает 1500 Гц, что позволяет обеспечить высокоточную выходную скорость в пределах 10-кратного диапазона слабого магнитного регулирования скорости. | |
| | |
| | Идеальный привод для синхронных двигателей |
| Форма сигнала тока синхронного двигателя в режиме векторного управления с разомкнутым контуром при частоте 500 Гц и 100 % номинальной нагрузке. | |
| | |
| | Надежная конструкция рассеивания тепла |
| Независимая технология проектирования двойных воздуховодов позволяет использовать привод солнечного насоса с температурой кольца 50 ℃ без снижения производительности. |
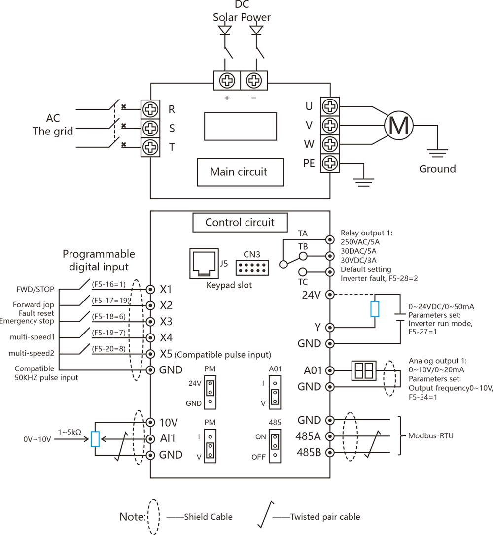
Схема подключения
Для продуктов RVE35 0,75–7,5 кВт обратите внимание на следующее:
1. Изделие не содержит логических входных клемм X6 и X7;
2. Изделие имеет только 1 аналоговый вход, 1 аналоговый выход и 1 релейный выход.










































