Краткое описание продукта
Технические характеристики
| Параметрический | |
| Модель | РВЭ1000С-10/280 ~ РВЭ1000С-10/1000 |
| Напряжение | 10кВ |
| Мощность ЧРП (кВт) | 280/315/355/400/450/500/560/630/710/800/900/1000 |
| Выходной ток (А) | 20/23/26/29/32/36/40/46/52/58/65/72 |
| Мощность (кВА) | 350/400/450/500/560/630/700/800/900/1000/1120/1250 |
| Внешние размеры (без вентиляторного блока) Ш*В, мм | 1600*1330*2000 |
Технические характеристики
| Входная мощность | |
| Входное линейное напряжение | 3,0 ~ 35 кВ (-10% ~ 10%) |
| Колебания входного напряжения | -35%~ 15%номинальное напряжение |
| Частота входного напряжения | 50/60 Гц±5% |
| Входной коэффициент мощности | Оно может достигать более 0,95, когда нагрузка превышает 20%. |
| Мощность управления | Трехфазная четырехпроводная система, 380 В, 5~50 кВА (в зависимости от мощности инвертора). |
| Выходная мощность | |
| Выходное линейное напряжение | 0~11 кВ |
| Выходная частота | 0~120Гц |
| Выходная частота drift | ±0,5% |
| Выходная эффективность | ≧96% |
| Выходная частота resolution | 0,01 Гц |
| Функция управления | |
| Диапазон скоростей | 0,01~120 Гц (зависит от двигателя) |
| Перегрузка | 120%, 60 с (настраиваемый) |
| Метод управления | Управление VF/управление GVC/управление крутящим моментом/векторное управление |
| точность управления | ±0,5% |
| Характеристики крутящего момента нагрузки | Квадратная крутящая нагрузка, постоянная крутящая нагрузка |
| Время ускорения/замедления | 0~3200 с (регулируется в зависимости от характеристик нагрузки) |
| Основная функция защиты | Перенапряжение, перегрузка по току, короткое замыкание, перегрев, оптоволоконная связь, блок и т. д. |
| Возможности ввода и вывода | |
| Цифровой вход | 24 цифровых входа с возможностью расширения до 46 |
| Цифровой выход | 16 цифровых выходов с возможностью расширения до 40 |
| Аналоговый вход | 2 аналоговых входа (0–10 В/4–20 мА) |
| Аналоговый выход | 2 аналоговых выхода (0–10 В/4–20 мА) |
| Общение | Стандарт: Modbus; Опционально: Profibus-DP, Profinet, TCP/IP и т. д. |
| Дисплей | |
| Пользовательский интерфейс | Сенсорный экран |
| Характеристики трансформатора | |
| Температурная защита | Ошибка 130 ℃ |
| Уровень изоляции | Ч |
| Условия окружающей среды | |
| Рейтинг защиты | IP30 |
| Метод охлаждения | Принудительное воздушное охлаждение |
| Метод обслуживания | Техническое обслуживание передней и задней части VFD |
| Рабочая температура окружающей среды | 0~ 40℃ |
| Температура хранения и транспортировки | -20℃~ 70℃ |
| Чumidity | <95%, без конденсации |
| Вибрация | Ниже 0,9 г |
| Место использования | Внутренняя среда свободна от агрессивных, взрывоопасных газов и пыли. |
| Высота использования | Высота 2000 метров и ниже. |
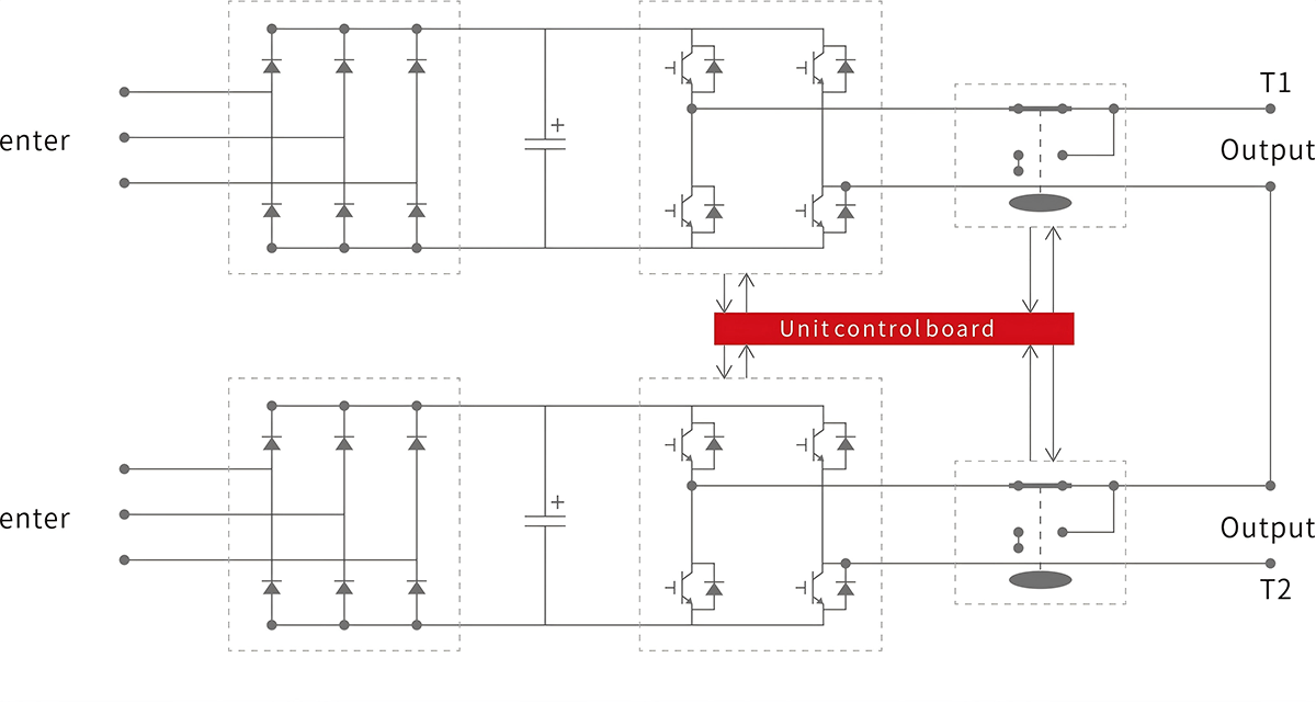
Топология силового блока
Номенклатура моделей
Таблица выбора продукции
| Номинальное выходное напряжение (кВ) | Модель инвертора | Номинальный выходной ток (А) | Совместимая мощность двигателя (кВт) | Мощность трансформатора (кВА) | Размеры (без блока вентилятора) Ш*Г*В, мм |
| 6КВ | РВ1000С-6/280 | 34 | 280 | 350 | 1600*1330*2000 |
| РВ1000С-6/315 | 38 | 315 | 400 | 1600*1330*2000 | |
| РВ1000С-6/355 | 43 | 355 | 450 | 1600*1330*2000 | |
| РВ1000С-6/400 | 48 | 400 | 500 | 1600*1330*2000 | |
| РВ1000С-6/450 | 54 | 450 | 560 | 1600*1330*2000 | |
| РВ1000С-6/500 | 61 | 500 | 630 | 1600*1330*2000 | |
| РВ1000С-6/560 | 67 | 560 | 700 | 1600*1330*2000 | |
| 10КВ | РВ1000С-10/280 | 20 | 280 | 350 | 1600*1330*2000 |
| РВ1000С-10/315 | 23 | 315 | 400 | 1600*1330*2000 | |
| РВ1000С-10/355 | 26 | 355 | 450 | 1600*1330*2000 | |
| РВ1000С-10/400 | 29 | 400 | 500 | 1600*1330*2000 | |
| РВ1000С-10/450 | 32 | 450 | 560 | 1600*1330*2000 | |
| РВ1000С-10/500 | 36 | 500 | 630 | 1600*1330*2000 | |
| РВ1000С-10/560 | 40 | 560 | 700 | 1600*1330*2000 | |
| РВ1000С-10/630 | 46 | 630 | 800 | 1600*1330*2000 | |
| РВ1000С-10/710 | 52 | 710 | 900 | 1600*1330*2000 | |
| РВ1000С-10/800 | 58 | 800 | 1000 | 1600*1330*2000 | |
| РВ1000С-10/900 | 65 | 900 | 1120 | 1600*1330*2000 | |
| РВ1000С-10/1000 | 72 | 1000 | 1250 | 1600*1330*2000 |









































